Page 5 of 8
Re: Thetis 2.8.9 Released!
Posted: Sat Oct 17, 2020 12:25 am
by w8du
w8du wrote:Just installed this on my W10 x64 machine. Installation went well. However, when I fired it up, I find that the waterfall part of the display is blank - just background with no waterfall displayed. Also, the panadapter portion of the display is compressed to the upper 1/5 of the display area. Any pointers on how to fix this? I looked at the various setup menus but could not find what I needed.
Tnx de Arnie W8DU
So I sort of got it fixed...What I had to do was click on RX2. Then click RX2 off. That seems to restore the normal Panafall screen split. Weird behavior but it least it seems to be working. Next up is to import transmit profiles from 2.7.0 into 2.8.9. Tomorrow.
73 de Arnie W8DU
Re: Thetis 2.8.9 Released!
Posted: Sat Oct 17, 2020 12:34 am
by w-u-2-o
If you imported your entire database they should already be there.
Re: Thetis 2.8.9 Released!
Posted: Sat Oct 17, 2020 10:58 pm
by ki4nbo
I have a 100B, after I updated to the new release my rx2 no longer functions.. Am I missing something? Works fine with all up to 2.7a3 but not on the x86 or x64.
Thanks
Kevin
Re: Thetis 2.8.9 Released!
Posted: Sun Oct 18, 2020 12:53 pm
by PA0ALW-Walter
Same here,but on a Anan10-16bits, protocol 1
Install a new Thetis v2.8.9 with a fresh database on Windows 10-1909
No RX2 reception only in the middle of the panadapter on every band a strong carrier.
RX1 works good.
73,Walter
PA0ALW
Re: Thetis 2.8.9 Released!
Posted: Sun Oct 18, 2020 2:17 pm
by Dc0zo
PA0ALW-Walter wrote:Same here,but on a Anan10-16bits, protocol 1
Install a new Thetis v2.8.9 with a fresh database on Windows 10-1909
No RX2 reception only in the middle of the panadapter on every band a strong carrier.
RX1 works good.
73,Walter
PA0ALW
Try to use the same samping rate for RX1 and RX2. Then it should work.
(Anan-100 (16 bit) prototocol 2)
73, Michael DC0ZO
Re: Thetis 2.8.9 Released!
Posted: Sun Oct 18, 2020 3:46 pm
by PA0ALW-Walter
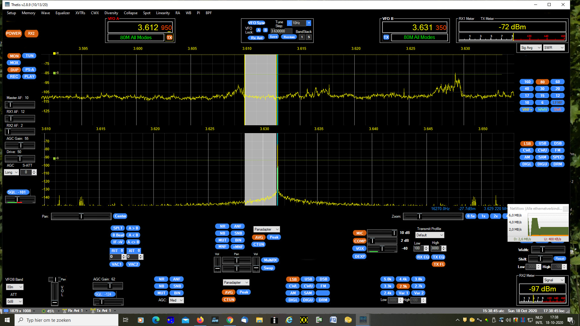
Michael,
When i change the sample rate for RX1 then RX2 get direct the same sample rate.
So no difference
Walter.

- ThetisV2.8.9_Anan10.jpg (542.84 KiB) Viewed 52356 times
Re: Thetis 2.8.9 Released!
Posted: Sun Oct 18, 2020 5:12 pm
by ki4nbo
So I was going to try what was suggested on the rx2 but when I opened thetis x64 rx2 was working when I activated it.. I did nothing from yesterday to today... only a restart of the computer.
Wish I could post some help but I'm not sure what I changed.
Kevin
Re: Thetis 2.8.9 Released!
Posted: Mon Oct 19, 2020 9:45 am
by PA0ALW-Walter
Kevin
Strange, with OpenHPSDR mRX PS V3.4.9 everthing with RX2 working well.
Also try the Thetis x86 version but with the same result,RX2 don't work.(see picture above)
Walter.
Re: Thetis 2.8.9 Released!
Posted: Mon Oct 19, 2020 5:17 pm
by laurencebarker
Have you checked the ADC assignments in the setup window? There is a separate set for protocol 1 (because the default settings are different from protocol 2) and a button to reset them to default settings.
Re: Thetis 2.8.9 Released!
Posted: Mon Oct 19, 2020 5:38 pm
by PA0ALW-Walter
laurencebarker wrote:Have you checked the ADC assignments in the setup window? There is a separate set for protocol 1 (because the default settings are different from protocol 2) and a button to reset them to default settings.
Hello,
I have try several settings also the Default for Protocol 1on my Anan10 (16bits) but still the same.
I have noise from the speaker but no hf signal as you can see .
See the spike in the middle, its always visible in the middle when i switch to several bands.
73,Walter
Re: Thetis 2.8.9 Released!
Posted: Mon Oct 19, 2020 7:29 pm
by N9VX
Running Thetis 2.8.9 x64 on ANAN-100B protocol 1 using W10 x64. Have found 2 bugs and have two questions:
1. I am using 1.3 version of the firmware, what is the best version to use with 2.8.9 x64 on ANAN-100B?
2. Where should I report the bugs?
Note: NB on Thetis is working much better than on mRX.
73,
Joe N9VX
Re: Thetis 2.8.9 Released!
Posted: Mon Oct 19, 2020 7:40 pm
by w-u-2-o
I believe that's the latest firmware. This is the place for bug reports.
Re: Thetis 2.8.9 Released!
Posted: Tue Oct 20, 2020 11:24 am
by N9VX
Two bugs found. Running Thetis 2.8.9 x64 on ANAN-100B protocol 1 (version 1.3) using W10 x64. Dell i5 desktop 8 gig ram, SS drive. 1 gig switch between radio and computer.
1. Random bad SSB TX audio reports, most TX is good, then a bad transmission occurs. Told it has a distorted echo sound. Has happened on 40 and 60 meters with two different mics.
2. Random, front panel Quick Record issue, will crash Thetis and go back to windows screen., then Thetis will not restart with out power to radio restarting.
This has happened 2 - 3 times: After making a few Quick recordings from the front panel the recorder stops working, then go to the Wave recorder and make a few recordings, then back to the front panel Quick recorder and make a recording, it seem to make the recording, but when you click to stop the recording you get the old mRX type pop-up message about where the recording is located and when you click on the message, Thetis crashes.
Joe N9VX
PS: Thanks for removing the old mRX type pop-up message from Thetis.
Re: Thetis 2.8.9 Released!
Posted: Tue Oct 20, 2020 11:43 am
by DL8LAQ
Hi all!
DJControl and Thetis 2.8.9 / 64 bit:
I copied the MIDI mappings from the 32 bit version into the 64 bit folder and imported the mappings.
But all controls behave not like they should. Every control is changing the first steps into the opposite direction and then in the right direction. Decreasing volume from eg. 50 to 0 the Thetis slider stops at 7 and goes down to 0 when I move the DJControl slider from 0 up to xx.
Same happens with the VFO wheels...
Re: Thetis 2.8.9 Released!
Posted: Tue Oct 20, 2020 12:48 pm
by FM5GB
Hi Joen N9VX
Distorsion and echoes on your transmitted signal may indicate RF feedback. It should not occur on every ham band
and could be cured by eliminating ground loops in your shack. Sometimes your mike and audio line may
pick up RF as well. I solved the problem by using a balanced line for the microphone. It has been described
by W1AEX (see
http://www.w1aex.com/anan/anan.html). After having done the changes I had never RF
feedback into my audio.
73s FM5GB Phil
Re: Thetis 2.8.9 Released!
Posted: Tue Oct 20, 2020 1:33 pm
by N9VX
Phil,
The audio issue is random, most transmissions are good and then a bad one. mRX on same setup does not have any issues.
Joe N9VX
Re: Thetis 2.8.9 Released!
Posted: Tue Oct 20, 2020 3:24 pm
by w-u-2-o
DL8LAQ wrote:Hi all!
DJControl and Thetis 2.8.9 / 64 bit:
I copied the MIDI mappings from the 32 bit version into the 64 bit folder and imported the mappings.
But all controls behave not like they should. Every control is changing the first steps into the opposite direction and then in the right direction. Decreasing volume from eg. 50 to 0 the Thetis slider stops at 7 and goes down to 0 when I move the DJControl slider from 0 up to xx.
Same happens with the VFO wheels...
Norbert,
All I did was copy the midi2cat file. I did not reimport anything, it was already there. You may have damaged your database with the import step. You may have to start over from scratch. Because many of us with Hercules controllers are having no difficulties bringing over our MIDI settings for either the 32 or 64 bit builds just by copying the file over.
73,
Scott
Re: Thetis 2.8.9 Released!
Posted: Tue Oct 20, 2020 4:54 pm
by G3NPI
I have a ANAN-10 running v3.4.9 and would love to upgrade to Thesis. Does this new release mean I can now run it on the ANAN-10? and has it been successfully tested on Protocol 1 on the ANAN-10. I am assuming Protocol 2 is still a no no on this rig.
Its my main rig, so I am scared I might brick it.....
73
Geoff G3NPI
Re: Thetis 2.8.9 Released!
Posted: Tue Oct 20, 2020 5:17 pm
by w-u-2-o
G3NPI wrote:Does this new release mean I can now run it on the ANAN-10? and has it been successfully tested on Protocol 1 on the ANAN-10.
Yes and yes. You cannot brick anything. If you don't like how Thetis works, just go back to PowerSDR. You can use them interchangeably (but only one at a time).
Re: Thetis 2.8.11 Released!
Posted: Wed Oct 21, 2020 2:45 am
by w9ac
Doug,
EXT OC CTL button working but as soon as VFO A is moved when the button is off, it reverts back and re-engages all checked OCs. I ensured to click APPLY before exiting. No change.
Paul, W9AC
Re: Thetis 2.8.11 Released!
Posted: Wed Oct 21, 2020 4:47 am
by va7qi
Geoff,
Thetis 2.8.9 works very well on my Anan-10 - still with protocol 1. It is a nice upgrade from PowerSDR. I use it with WSJT-X on an old i5 machine.
Will update to 2.8.11 tomorrow.
73 de va7qi, ....Erik.
Re: Thetis 2.8.11 Released!
Posted: Wed Oct 21, 2020 7:44 am
by ea3aqr
Thetis V. 2.8.11 Issues:
-Still VAC audio lost when switching sample rate. OFF/ON required to recover audio (region is Spain and extended option is checked).
-RX antenna selection control on console not working at all when I'm OUT of the amateur bands (for example 11 meters).
EDIT:
-All notch filter are lost on every update
Re: Thetis 2.8.9 Released!
Posted: Wed Oct 21, 2020 8:20 am
by PA0ALW-Walter
laurencebarker wrote:Have you checked the ADC assignments in the setup window? There is a separate set for protocol 1 (because the default settings are different from protocol 2) and a button to reset them to default settings.
Laurence,
Problem with RX2 with the Anan 10(16bits) with Protocol 1 is solved.
This morning i install the new version of
Thetis v2.8.11 and RX2 is now running well.
73,Walter
PA0ALW
Re: Thetis 2.8.11 Released!
Posted: Wed Oct 21, 2020 9:02 am
by G3NPI
Many thanks Erik and Scott. On HPSDR v3.4.9 I get "shoulders" generated on TX . This is an intermittent burst of noise on both sides of my signal about 60dB down on the main signal and about 20 kHz on both sides, which looks like "shoulders" when displayed on a spectrum analyzer.
It is troublesome to locals when I am using the ANAN 10 to transvert to VHF, so my question is :- Has anybody seen this behaviour and does it occur in the latest release of Thetis
To fix this would be the main driver to move to Thetis
Re: Thetis 2.8.11 Released!
Posted: Wed Oct 21, 2020 9:08 am
by W4WMT
ea3aqr wrote:Thetis V. 2.8.11 Issues:
-Still VAC audio lost when switching sample rate. OFF/ON required to recover audio (region is Spain and extended option is checked).
This is not limited only to VAC audio.
RX audio from the hardware CODEC (in the radio) is also lost upon changing F/W Set RX1 Sample Rate.
Toggling MOX (by any means) restores the RX audio immediately.
-73
Re: Thetis 2.8.9 Released!
Posted: Wed Oct 21, 2020 9:47 am
by DL8LAQ
w-u-2-o wrote:
All I did was copy the midi2cat file. I did not reimport anything, it was already there. You may have damaged your database with the import step. You may have to start over from scratch. Because many of us with Hercules controllers are having no difficulties bringing over our MIDI settings for either the 32 or 64 bit builds just by copying the file over.
Hi Scott,
most likely you are right. I am just a lazy guy and will do start from scratch now
73, Norbert
Re: Thetis 2.8.11 Released!
Posted: Wed Oct 21, 2020 7:00 pm
by w-u-2-o
G3NPI wrote:Many thanks Erik and Scott. On HPSDR v3.4.9 I get "shoulders" generated on TX . This is an intermittent burst of noise on both sides of my signal about 60dB down on the main signal and about 20 kHz on both sides, which looks like "shoulders" when displayed on a spectrum analyzer.
It is troublesome to locals when I am using the ANAN 10 to transvert to VHF, so my question is :- Has anybody seen this behaviour and does it occur in the latest release of Thetis
To fix this would be the main driver to move to Thetis
This behavior does not occur in PowerSDR, therefore it is unlikely that a move to Thetis will improve things for you. You need to figure out where your problem is.
If this is something you want to pursue on this forum, I suggest you start a separate topic in the transverter sub-forum where it can be discussed further.
Re: Thetis 2.8.11 Released!
Posted: Wed Oct 21, 2020 8:04 pm
by dmalcolm
I run mostly digital (FT8). Thetis v2.8.11 doesn’t retain the VAC Enable setting when I shut it down. Not a big deal to re-enable on startup but it is a fault somewhere. Can someone tell how to fix that.
BTW all other settings seem to be saved just fine.
Re: Thetis 2.8.11 Released!
Posted: Wed Oct 21, 2020 8:12 pm
by dmalcolm
Just posted one problem that is a Thetis problem, but another issue cropped up a couple of days ago, and I'm sure I'm not the only one. This one I suspect is with Win10 and it's latest update. WSJT-X and Thetis were working until the update. Now WSJT-X sees Thetis audio, but won't connect to the CAT system. CAT is setup correctly. WSJT-X tells me "Rig failure - Hamlib error: Protocol error while getting current VFO frequency".
Before I reinstall and reconfigure everything, is there something easier to do?
Re: Thetis 2.8.11 Released!
Posted: Wed Oct 21, 2020 8:34 pm
by w-u-2-o
@dmalcom: this is the 2.8.11 release topic. Bugs and feature discussions only. If you've got Windows-related CAT problems then start a new topic in the digi mode subforum (
https://apache-labs.com/community/viewforum.php?f=16) and we'll help you solve your problem there.