Page 1 of 1
Not sure how to use Open Collector Jack and Thetis settings...
Posted: Thu Feb 09, 2023 6:18 am
by N9SSW
Not sure how to use Open Collector Jack and Thetis settings...
Spent at least an hour trying to figure out the OC settings and get any kind of measurable result at the OC Jack on the back of my 8000DLE
have a cable plugged in to the 9 pin, have attempted to select\deselect a huge combination of checkboxes on both the OC Receive pins and the OC transmit pin select boxes in Thetis as well as the Tx Pin action and Ext PA control TX\RX checkboxes, cant seem to get ANY results measuring with an ohm meter for opens and shorts as well as the volt meter for any voltage changes between gnd and any of the pins.
I may just not understand the implementation... I typically understand open collector to mean that one of the OC input pins would likely be either pulled high or low with a pull up or pull down resistor (typically pull up to 5v and when the base of the OC transistor is biased the collector turns on and the 5v pull up is then shorded to gnd via the transistor emitter\collector. Do I have some misunderstanding of this or am I doing something wrong in Thetis. My goal would be to use two OC pins on the 8000 configured in a method to act as separate PTT lines that will feed two transverters PTT inputs which could in theory be be set to PTT\Gnd or PTT\5V config. Id be happy if I could get either method to work.
Maybe I just dont understand OC in regards to the DLE8000 and Thetis... I have been looking for days and I cant seem to find any real solid info on how to make use of these OC pins.
Anyone have any info or seen links to resources they might share. I am in the market to purchase possibly two Q5 transverters and an looking for a reliable way to PTT switch their built in PA's via their PTT input, while I am still using my single PTT jack on the 8000 DLE to switch my HF amplifier...
Nick
DE N9SSW
Re: Not sure how to use Open Collector Jack and Thetis settings...
Posted: Thu Feb 09, 2023 6:31 am
by N9SSW
BTW I did the same testing with PowerSDR OpenHP and get the same non-existent results....
I might just need a fresh education on Open Collector use... It appears I am likely missing something.
Nick
DE N9SSW
Re: Not sure how to use Open Collector Jack and Thetis settings...
Posted: Thu Feb 09, 2023 9:15 am
by DL2XY
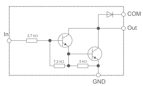
An OC is simply a switch towards ground if activated.
There is no intrinsic pull up.
If you want to switch inductive loads (Relay coil) it is mandantory to use the COM pin for freewheeling.

- ULN200x.gif (18.43 KiB) Viewed 19390 times
Re: Not sure how to use Open Collector Jack and Thetis settings...
Posted: Thu Feb 09, 2023 9:59 am
by w9ac
N9SSW wrote: cant seem to get ANY results measuring with an ohm meter for opens and shorts as well as the volt meter for any voltage changes between gnd and any of the pins... I may just not understand the implementation... I typically understand open collector to mean that one of the OC input pins would likely be either pulled high or low with a pull up or pull down resistor (typically pull up to 5v and when the base of the OC transistor is biased the collector turns on and the 5v pull up is then shorded to gnd via the transistor emitter\collector. Do I have some misunderstanding of this or am I doing something wrong in Thetis.
DE N9SSW
Nick,
I think your understanding of the OC matrix in Thetis is correct. When the appropriate check box is selected, the OC outputs are switched from a ULN2003AD High-Current Darlington Array.
https://tinyurl.com/fvjewz78
The Darlington collectors do not utilize pull-up, nor pull-down resistors. Each collector alone is routed to the rear panel jack and when activated, is pulled down very close circuit ground (typically 5-20 ohms), in effect making a switch closure albeit polarity sensitive. Being a Darlington output, two transistors are cascaded to offer high current transfer gain and very good base junction protection that isn't achieved with a common BJT transistor.
When testing for switch closure with a Darlington transistor, I don't use a DMM; a VOM provides much better measurement results. Mine is a Simpson 260 with 20,000 ohms/volt DC circuit loading. That low-impedance loading helps to see the Darlington switch to circuit ground. So, VOM positive lead on the OC output pin, black VOM lead to circuit ground. Use the VOM's RX1 scale.
The ULN2003AD is rated for a maximum current of 500 mA at 50V DC (derated based upon duty cycle). That's 12 watts of power. But that doesn't mean we should be switching devices near that extreme. Orion's circuit board has very narrow printed circuit paths; don't turn them into fuses.
Paul, W9AC
Re: Not sure how to use Open Collector Jack and Thetis settings...
Posted: Thu Feb 09, 2023 3:08 pm
by w-u-2-o
Perhaps a simpler answer might be helpful.
Connect a 10K ohm resistor (or similar, anything between 1K and 100K will do) between the OC output you want to test and +12VDC. Connect the positive lead of a voltmeter to that same OC output.
Assuming there are no checkmarks in the OC table for that pin/band combo, you will see 12V on the voltmeter. The pin is being pulled up to 12V by the resistor.
When you place a checkmark in the appropriate place in the table for that OC output pin and the current band, the transistor on that OC output will conduct current and the pin will be pulled down to ground. The voltmeter will now read 0V, or close to it.
You can use these outputs to control digital inputs on other equipment if the other equipment has internal pull-up's on those inputs. Otherwise you have to provide your own external pull-up resistors, to the appropriate voltage, of course.
You can use these output as low side switches for relay coils, being mindful of the max. current rating of the outputs per the datasheet, of course.
Re: Not sure how to use Open Collector Jack and Thetis settings...
Posted: Thu Feb 09, 2023 3:24 pm
by Joe
viewtopic.php?f=17&t=3692&hilit=WD5Y
I hope this helps a bit. I posted this quite some time ago. The actual software has been much improved by Richie for control. I use the OC for bcd inputs - amp band selection. I also attached a schematic “file”, that shows the hardware involved.
73’s
Joe
WD5Y
Re: Not sure how to use Open Collector Jack and Thetis settings...
Posted: Thu Feb 09, 2023 3:28 pm
by w9ac
Then how about even simpler with no test gear?
From the OC pin, connect a 680 Ω resistor in series with a standard red LED, anode side to +12V. It's not a measurement, but it does indicate if the OC is functioning correctly.
Paul, W9AC
Re: Not sure how to use Open Collector Jack and Thetis settings...
Posted: Thu Feb 09, 2023 3:37 pm
by w-u-2-o
You're probably right, Paul! If there's a resistor laying around, then there might an LED, too!
Heck, if you didn't have anything at all, you could just buy some cheap automotive, 12V LED indicators off of Amazon, the kind with the built in resistor, and use those. Red lead to +12V, black lead to an OC pin.
Example:
https://www.amazon.com/Warning-Light-In ... 07J6N96S7/
Re: Not sure how to use Open Collector Jack and Thetis settings...
Posted: Thu Feb 09, 2023 3:50 pm
by w9ac
w-u-2-o wrote:You're probably right, Paul! If there's a resistor laying around, then there might an LED, too!
Heck, if you didn't have anything at all, you could just buy some cheap automotive, 12V LED indicators off of Amazon, the kind with the built in resistor, and use those. Red lead to +12V, black lead to an OC pin.
Example:
https://www.amazon.com/Warning-Light-In ... 07J6N96S7/
Scott,
You've just given me an idea to make a test jig using 7 small LEDs with internal dropping resistors soldered on a DB-9 connector. Power it from a 9V battery.
Paul, W9AC
Re: Not sure how to use Open Collector Jack and Thetis settings...
Posted: Thu Feb 09, 2023 4:04 pm
by N9SSW
Thanks for the suggestions all... After reading Paul's reply above the LED idea also popped into my head. I typed up a fairly long reply that I thought I posted but seems to be lost at this point while all these other replies were being posted by all of the rest of you... I may have a 12V LED laying around already.. if not I can breadboard a standard LED hit it with 3.3V off my breadboard 3v rail and tie the grounds together and tie the LED to an OC pin and play with that.
The goal will be to use the OC pins as band specific PTT switching for Q5 Signal transverter(s)... hoping I can get a 2M and 70cm transverters connected and running on the 8000DLE. I already have my PTT jack on my 8000 connected to my HF amp.
I looked at Joes link and somehow I envision a db9 medusa in my future with the DB9 plugged into the radio and several RCA connections hangigng out as PTT1\2\3\4\etc lol
Nick
Re: Not sure how to use Open Collector Jack and Thetis settings...
Posted: Thu Feb 09, 2023 4:09 pm
by w-u-2-o
Re: Not sure how to use Open Collector Jack and Thetis settings...
Posted: Thu Feb 09, 2023 4:24 pm
by N9SSW
Thanks for the link... Funny thing is I ordered this one (a little higher quality metal can)
https://www.amazon.com/dp/B09W28BR6K?ps ... ct_details
and received it last night which is what allowed me to poke around for several hours last night with no results haha.
I started working on it around 8pm and after hundreds of tests and measurements of every possible combination I looked up at the clock and it was already 12:38am lmao time flies I guess...
Nick
Re: Not sure how to use Open Collector Jack and Thetis settings...
Posted: Fri Feb 10, 2023 5:28 pm
by K4IBC
w9ac wrote:w-u-2-o wrote:You're probably right, Paul! If there's a resistor laying around, then there might an LED, too!
Heck, if you didn't have anything at all, you could just buy some cheap automotive, 12V LED indicators off of Amazon, the kind with the built in resistor, and use those. Red lead to +12V, black lead to an OC pin.
Example:
https://www.amazon.com/Warning-Light-In ... 07J6N96S7/
Scott,
You've just given me an idea to make a test jig using 7 small LEDs with internal dropping resistors soldered on a DB-9 connector. Power it from a 9V battery.
Paul, W9AC
Why not use 12 volts? It's all over just about every shack out there and use lights like Scott suggested.
Re: Not sure how to use Open Collector Jack and Thetis settings...
Posted: Fri Feb 10, 2023 7:16 pm
by w-u-2-o
Not Paul, but I could see using a 9V battery or something like that if you wanted a gadget you could just plug into the OC port without having to connect up any other wires, just to do quick tests. You could even get a standard serial cable and have the gadget laying on the table in some easy to see location.
Re: Not sure how to use Open Collector Jack and Thetis settings...
Posted: Sat Feb 11, 2023 2:29 pm
by w9ac
Scott's right. It's not a permanent fixture and only used long enough to test OC ports. A battery fastened to the jig is fine and would last the shelf life of the battery.
Paul, W9AC
Re: Not sure how to use Open Collector Jack and Thetis settings...
Posted: Mon Nov 11, 2024 10:16 pm
by ve6ars@gmail.com
I cant find the secret to getting the O/C outputs at the DB9 to switch at the same frequencies as the lpf's internal to the 7K. Im sure I could do this with node-red etc but it would sure be nice to just plug the db9 into my external amp`s lpf board. It would currently work fine for hambands only but I need to go slightly outside the defined bands for CFARS/MARS. I am doubtless missing something obvious
Note, I am not asking how to use the o/c outputs but rather how to reprogram the freq boundaries at which they switch.
Ross ve6ars
Re: Not sure how to use Open Collector Jack and Thetis settings...
Posted: Mon Nov 11, 2024 10:40 pm
by w-u-2-o
ve6ars@gmail.com wrote:It would currently work fine for hambands only but I need to go slightly outside the defined bands for CFARS/MARS. I am doubtless missing something obvious
Note, I am not asking how to use the o/c outputs but rather how to reprogram the freq boundaries at which they switch.
Interesting problem! I've never thought about the issue of MARS freq's, etc.
I just did a quick experiment, which was to program entries on both the HF and SWL tabs. I don't use the OC outputs, but monitoring the Hardware Pin State display, it seemed to work perfectly, i.e. when the frequency crossed outside of the ham band limit the adjacent SWL band entry continued to pick up the slack and maintained the desired OC output pins in the proper asserted state.
Leveraging the SWL tab may therefore be a good solution for you. Please post your results!
Re: Not sure how to use Open Collector Jack and Thetis settings...
Posted: Tue Nov 12, 2024 5:46 pm
by ve6ars@gmail.com
Thanks for the pointer. Yes, that will work for at least some of the scenarios. Ive been sitting and watching the pins change while massaging the swl and hf tables and it doesnt always do as expected but the right combination may yet appear. It has to be pretty bulletproof as switching to the wrong amp filter could cause big issues.
I will post a pic of the tables if I find a setup that does all I need. tnx again.