New -10/-100 16-BIT Hermes Protocol 2 Firmware Topic
Forum rules
Until such time as the New Protocol firmware goes into general release, all discussion will be concentrated here.
Until such time as the New Protocol firmware goes into general release, all discussion will be concentrated here.
Re: New -10/-100 16-BIT Hermes Protocol 2 Firmware Topic
Hi Rick,
I tied pre14 with the amp on and also on bypass(cross talk) with 192/384 sample rate
but I'm still getting some in/out PS and also now SEQ errors.
Thanks for the update.
Jorge
Anan 100 Thetis 2.7.0 (a2)
I tied pre14 with the amp on and also on bypass(cross talk) with 192/384 sample rate
but I'm still getting some in/out PS and also now SEQ errors.
Thanks for the update.
Jorge
Anan 100 Thetis 2.7.0 (a2)
Re: New -10/-100 16-BIT Hermes Protocol 2 Firmware Topic
Hi Rick,
As reported by Jorge and Jeff before - no big change. Arno confirmed the same via WhatsApp.
PS still jumps off frequently.
I just tried to measure how often that is the case…...nearly every 2nd to 3rd trial PS was down.
What happens at your end if you just start transmitting 20 times for just 2 seconds each?
I just push ptt and count "one, two three…" release the ptt again.
Doing that 20 times takes you less than 1 minute......it cleary shows no stable behavior.
In all negative cases "Get Pk" gets still frozen at 50% of valid numbers (valid = 0,29 - frozen = 0,14)
Thank you for not giving up!!
73,
Andy
As reported by Jorge and Jeff before - no big change. Arno confirmed the same via WhatsApp.
PS still jumps off frequently.
I just tried to measure how often that is the case…...nearly every 2nd to 3rd trial PS was down.
What happens at your end if you just start transmitting 20 times for just 2 seconds each?
I just push ptt and count "one, two three…" release the ptt again.
Doing that 20 times takes you less than 1 minute......it cleary shows no stable behavior.
In all negative cases "Get Pk" gets still frozen at 50% of valid numbers (valid = 0,29 - frozen = 0,14)
Thank you for not giving up!!
73,
Andy
No knobs, Pure Signal and Thetis (open source)
ANAN 7000, ANAN 10, Intel NUC 8i7 32 GB + 16 GB Optane
ANAN 7000, ANAN 10, Intel NUC 8i7 32 GB + 16 GB Optane
Re: New -10/-100 16-BIT Hermes Protocol 2 Firmware Topic
Hey Andy & All,
Yes, this ANAN-10 of mine is a sick little monkey.
Yesterday I thought I had great success with finding that bug. I really did test it all afternoon
with NO dropouts. This morning I powered it up and tried your experiment of "testing 1 2 3" / PTT
and it failed right away. What the heck?
I had let it warm up for a few hours and tried again. It is much more stable but it will fail. So I am
still seeing a big difference in behaviour, at least on my unit, due to temperature.
Nevertheless it is not completely stable.
I will continue to try ideas as they come along. If you have ideas that may help on the Thetis side
please pass those up to the Thetis developers.
I'll post back when something works for me consistently, for days!
-Rick / N1GP
Yes, this ANAN-10 of mine is a sick little monkey.
Yesterday I thought I had great success with finding that bug. I really did test it all afternoon
with NO dropouts. This morning I powered it up and tried your experiment of "testing 1 2 3" / PTT
and it failed right away. What the heck?
I had let it warm up for a few hours and tried again. It is much more stable but it will fail. So I am
still seeing a big difference in behaviour, at least on my unit, due to temperature.
Nevertheless it is not completely stable.
I will continue to try ideas as they come along. If you have ideas that may help on the Thetis side
please pass those up to the Thetis developers.
I'll post back when something works for me consistently, for days!
-Rick / N1GP
Re: New -10/-100 16-BIT Hermes Protocol 2 Firmware Topic
Thanks Rick,
You are not bothering anybody by sending out different trials…..think all of us are more than happy to assist where we can.
Just an idea Rick (may be totally wrong):
Since the detection of the important "Get Pk" falls down to precisely half the value, is it possible that there is a missing (dropping) bit?
In the digital world things double by another one vs a zero…..correct?
May be it's accidently that the value of Get Pk drops to half...….but why not to zero or to any other value?
It is always half of what it should be…..may be the instability is somewhere there ???
Thanks a lot for your hard work and all your time Rick!
73,
Andy
You are not bothering anybody by sending out different trials…..think all of us are more than happy to assist where we can.
Just an idea Rick (may be totally wrong):
Since the detection of the important "Get Pk" falls down to precisely half the value, is it possible that there is a missing (dropping) bit?
In the digital world things double by another one vs a zero…..correct?
May be it's accidently that the value of Get Pk drops to half...….but why not to zero or to any other value?
It is always half of what it should be…..may be the instability is somewhere there ???
Thanks a lot for your hard work and all your time Rick!
73,
Andy
No knobs, Pure Signal and Thetis (open source)
ANAN 7000, ANAN 10, Intel NUC 8i7 32 GB + 16 GB Optane
ANAN 7000, ANAN 10, Intel NUC 8i7 32 GB + 16 GB Optane
Re: New -10/-100 16-BIT Hermes Protocol 2 Firmware Topic
Hi Rick,
Just wanted to say I agree with Andy 100% and I really appreciate everthing you do for trying to get to the botom of this issue.
Thanks....
Jorge
Just wanted to say I agree with Andy 100% and I really appreciate everthing you do for trying to get to the botom of this issue.
Thanks....
Jorge
Re: New -10/-100 16-BIT Hermes Protocol 2 Firmware Topic
Hello Andy, Jorge, Arno, All,
Here is the latest. I have made multiple changes in this version.
I'll describe them if this proves to work for you.
NOTE: this version is fixed at 192K bandwidth so both RX1 & RX2 should be set to
192K. Also, I notice that when the ANAN-10 is cold (power-up) the PS correct is not
solid. But after it warms up it is solid. The behaviour of this FW to me is different
than previous either cold or warm.
Currently looking in to what in the chain of PS is affected more by temperature. I don't
think it's the FPGA as I have played with Altera settings on it from the full range.
https://www.dropbox.com/s/tzrgq9vuuwpjy ... 5.rbf?dl=0
UPDATE: I let my ANAN-10 cool off and retried. I can't seem to get a lock on PS correction anymore.
Even after warming it up. Sorry guys but don't waste too much time on this FW.
Looking forward to hearing back...
73's
-Rick / N1GP
Here is the latest. I have made multiple changes in this version.
I'll describe them if this proves to work for you.
NOTE: this version is fixed at 192K bandwidth so both RX1 & RX2 should be set to
192K. Also, I notice that when the ANAN-10 is cold (power-up) the PS correct is not
solid. But after it warms up it is solid. The behaviour of this FW to me is different
than previous either cold or warm.
Currently looking in to what in the chain of PS is affected more by temperature. I don't
think it's the FPGA as I have played with Altera settings on it from the full range.
https://www.dropbox.com/s/tzrgq9vuuwpjy ... 5.rbf?dl=0
UPDATE: I let my ANAN-10 cool off and retried. I can't seem to get a lock on PS correction anymore.
Even after warming it up. Sorry guys but don't waste too much time on this FW.
Looking forward to hearing back...
73's
-Rick / N1GP
Re: New -10/-100 16-BIT Hermes Protocol 2 Firmware Topic
Hi Rick,
When the radio warms up the correction stop working, but the feedback continues to work hot or cold.
It never did that before. so I think you are heading in the right direction.
Thanks for the update, you are almost there.
Jorge
When the radio warms up the correction stop working, but the feedback continues to work hot or cold.
It never did that before. so I think you are heading in the right direction.
Thanks for the update, you are almost there.
Jorge
Re: New -10/-100 16-BIT Hermes Protocol 2 Firmware Topic
Hi Rick, hi Jorge and all others,
Rick, thank you very much for this tremendous progress. This version is quite different from others.
@Jorge, is it true that PS switches off when warmed up? It is exactly the other way round here - Arno, DL5AI confirmed that as well….
Let me summarize my observations - the temperature is probably the last remaining but important issue:
1) ANAN 10 is cold (basement temperature ~55 degrees F)
Pure signal is not working - there is no flashing "Correcting identicator" but "Get Pk" and "Set Pk" are okay.
When starting 2-tone tests PS starts sometimes - but no solid operation.
2) Warm-up period - this takes just minutes:
PS starts working - sometimes the "correcting field" is flashing - but resulting signal quality is way off. Sometimes even worst than without PS.
This period is dangerous to operate - sometimes the output signal gets super wide.
Also the tx-base line (I call it tx noise level) is sometimes very wide and much wider than normal.
When hitting 2-tone test the correcting procedure starts oscillating - strong pumping effects…...no clear result found.
"Get Pk" and "Set Pk" are both found but obviously not calculated correctly.
"Correcting" is sometimes flashing.
3) Warmed up - ready to go (after a couple minutes of operation):
Now PS works better than ever before. Stable operation - no chance to transmit without good cleanups observed.
The "Correcting" field is blinking - may be a bit too slow - every second or so, even when all parameters are set to zero.
The ANAN-7000 is correcting way faster - but hey, this is no issue. It is just an information to allow a better analysis.
In this state (warmed-up) the ANAN works next to perfect. Rock solid at least during my 1 hour test with amplifier.
The Correcting field stays "green" sometimes even when receiving…..but again - no big deal.
Summarizing: It appears to me that a timing issue gets automatically solved once the ANAN-10 is warmed up.
It may be not that easy to find as already short term operations heat circuits up fast and therefore behaviors change quickly.
May be you need to use freezing spray to identify reasons and affected areas on the pcb? I could imagine that this could guide you to the right software changes…..don't know. At least this highers chances to repeat the scenario.
One more time Rick - many, many thanks for your efforts! Much appreciated!
One thing is for sure: You already achieved the best F/W I have seen and used so far on my ANAN-10 on prot 2. And I agree with Jorge - looks like you/we are almost there......
73,
Andy
Rick, thank you very much for this tremendous progress. This version is quite different from others.
@Jorge, is it true that PS switches off when warmed up? It is exactly the other way round here - Arno, DL5AI confirmed that as well….
Let me summarize my observations - the temperature is probably the last remaining but important issue:
1) ANAN 10 is cold (basement temperature ~55 degrees F)
Pure signal is not working - there is no flashing "Correcting identicator" but "Get Pk" and "Set Pk" are okay.
When starting 2-tone tests PS starts sometimes - but no solid operation.
2) Warm-up period - this takes just minutes:
PS starts working - sometimes the "correcting field" is flashing - but resulting signal quality is way off. Sometimes even worst than without PS.
This period is dangerous to operate - sometimes the output signal gets super wide.
Also the tx-base line (I call it tx noise level) is sometimes very wide and much wider than normal.
When hitting 2-tone test the correcting procedure starts oscillating - strong pumping effects…...no clear result found.
"Get Pk" and "Set Pk" are both found but obviously not calculated correctly.
"Correcting" is sometimes flashing.
3) Warmed up - ready to go (after a couple minutes of operation):
Now PS works better than ever before. Stable operation - no chance to transmit without good cleanups observed.
The "Correcting" field is blinking - may be a bit too slow - every second or so, even when all parameters are set to zero.
The ANAN-7000 is correcting way faster - but hey, this is no issue. It is just an information to allow a better analysis.
In this state (warmed-up) the ANAN works next to perfect. Rock solid at least during my 1 hour test with amplifier.
The Correcting field stays "green" sometimes even when receiving…..but again - no big deal.
Summarizing: It appears to me that a timing issue gets automatically solved once the ANAN-10 is warmed up.
It may be not that easy to find as already short term operations heat circuits up fast and therefore behaviors change quickly.
May be you need to use freezing spray to identify reasons and affected areas on the pcb? I could imagine that this could guide you to the right software changes…..don't know. At least this highers chances to repeat the scenario.
One more time Rick - many, many thanks for your efforts! Much appreciated!
One thing is for sure: You already achieved the best F/W I have seen and used so far on my ANAN-10 on prot 2. And I agree with Jorge - looks like you/we are almost there......
73,
Andy
No knobs, Pure Signal and Thetis (open source)
ANAN 7000, ANAN 10, Intel NUC 8i7 32 GB + 16 GB Optane
ANAN 7000, ANAN 10, Intel NUC 8i7 32 GB + 16 GB Optane
Re: New -10/-100 16-BIT Hermes Protocol 2 Firmware Topic
Hi Rick and all,
i appreciate all your work here with the Hermes firmware and Thetis. 10.8_pre15 works fine with only minor stops and a flashing correction sign in a much lower frequency as with all versions before, but it works not with the Pihpsdr software. All other (older) versions are good for both, Pihpsdr and Thetis.
Thanks to all for your engagement here- Stay health
i appreciate all your work here with the Hermes firmware and Thetis. 10.8_pre15 works fine with only minor stops and a flashing correction sign in a much lower frequency as with all versions before, but it works not with the Pihpsdr software. All other (older) versions are good for both, Pihpsdr and Thetis.
Thanks to all for your engagement here- Stay health
Re: New -10/-100 16-BIT Hermes Protocol 2 Firmware Topic
I just loaded pre15 on my ANAN 100 and my audio to WSJT-X is completely hosed.
I'm getting regular dropouts coming from Thetis 2.6.9 that I didn't get previously (I hadn't tried any of these pre-releases yet).
Here's a snapshot of the audio recorded with Audacity. I'm going 48kHz everywhere and tried resetting the database too.
I'm getting regular dropouts coming from Thetis 2.6.9 that I didn't get previously (I hadn't tried any of these pre-releases yet).
Here's a snapshot of the audio recorded with Audacity. I'm going 48kHz everywhere and tried resetting the database too.
Mike W9MDB
- DL7GT_Daniel
- Posts: 6
- Joined: Sun Oct 20, 2019 12:23 pm
- Contact:
Re: New -10/-100 16-BIT Hermes Protocol 2 Firmware Topic
Hi All,
Because of SWR problems and narrowband antenna I measured Hermes/ANAN10.
I have measured harmonics, these are available since v10.8_pre13. I have measured them with the spectrum analyzer, because of the harmonics there are SWR problems and maybe problems with PureSignal .
Since firmware v10.8_pre13 Hermes/Anan10 has a noise in the TX (only MOX/PTT enabled), I have measured this, see screenshot.
This is a new bug!!
in FW V10.8_pre9 we have no Harmonics and no Noise .
I am using a original Hermes Board from ApacheLabs.
Because of SWR problems and narrowband antenna I measured Hermes/ANAN10.
I have measured harmonics, these are available since v10.8_pre13. I have measured them with the spectrum analyzer, because of the harmonics there are SWR problems and maybe problems with PureSignal .
Since firmware v10.8_pre13 Hermes/Anan10 has a noise in the TX (only MOX/PTT enabled), I have measured this, see screenshot.
This is a new bug!!
in FW V10.8_pre9 we have no Harmonics and no Noise .
I am using a original Hermes Board from ApacheLabs.
73 Daniel DL7GT 
My Rig: Hermes Board
My Rig: Hermes Board
Re: New -10/-100 16-BIT Hermes Protocol 2 Firmware Topic
Hello, everybody,
I can confirm the noise of the TX signal. It is present in my system during the warm-up phase. That's a new bug that's been creeping in! From my point of view it is important to eliminate it first.
FW 10.8_pre09 has no noise with MOX/PTT. After that an error has obviously crept in!
On my Hermes Pure signal runs stable in FW 10.8 pre_15 after a warm up phase.
Thanks for your effort Rick.
73, DL5AI
Arno
I can confirm the noise of the TX signal. It is present in my system during the warm-up phase. That's a new bug that's been creeping in! From my point of view it is important to eliminate it first.
FW 10.8_pre09 has no noise with MOX/PTT. After that an error has obviously crept in!
On my Hermes Pure signal runs stable in FW 10.8 pre_15 after a warm up phase.
Thanks for your effort Rick.
73, DL5AI
Arno
Rig: Hermes Board
Re: New -10/-100 16-BIT Hermes Protocol 2 Firmware Topic
@Daniel DL7GT
Tnx for the detail on the FW test versions.
The harmonics and SWR issues are probably very influential on PS.
I do not know from your post if any of the previous version of Protocol 2 have worked for you.
It seems that _pre9 was clean, does that mean it was working with PS?
Tnx,
-Rick / N1GP
Tnx for the detail on the FW test versions.
The harmonics and SWR issues are probably very influential on PS.
I do not know from your post if any of the previous version of Protocol 2 have worked for you.
It seems that _pre9 was clean, does that mean it was working with PS?
Tnx,
-Rick / N1GP
Re: New -10/-100 16-BIT Hermes Protocol 2 Firmware Topic
Tnx All for your reports.
The spectral information is very important while trying to figure out this PS issue.
So I have gone back to the _pre9 FW and applied the changes which seemed to help PS be more
resilient while not introducing the spectral impurities.
I have NOT yet tried to isolate where/why temperature is related in the PS problem.
But it IS an issue for me and others. Letting Hermes warm up seems to help.
Still investigating...
BTW, for anyone who is testing this FW image please NOTE: This is FIXED at 192K BW
FW: https://www.dropbox.com/s/vjfshyo3coxbi ... 8.rbf?dl=0
The ANAN-10 was ~38C as detected on it's exterior for these tests.
video UPDATE:
I have recorded a video of testing this FW using Thetis on my ANAN-10. Conditions are that the ANAN-10 has been on
for at least 4 hours.
In the spectrum I was watching I did not see the MOX noise that was introduced in _pre15, but please report this if it is still occurring.
https://www.dropbox.com/s/b4bpfmuov4428 ... 8.mp4?dl=0
video UPDATE2:
Here is a video I made using PIHPSDR and the same ANAN-10 rig, all tests were through a dummy load.
Also I have not tried this FW on my ANAN-10 with it in a cool state.
https://www.dropbox.com/s/9tnpgxm374j9z ... i.mp4?dl=0
Looking forward to more reports...
-Rick / N1GP
The spectral information is very important while trying to figure out this PS issue.
So I have gone back to the _pre9 FW and applied the changes which seemed to help PS be more
resilient while not introducing the spectral impurities.
I have NOT yet tried to isolate where/why temperature is related in the PS problem.
But it IS an issue for me and others. Letting Hermes warm up seems to help.
Still investigating...
BTW, for anyone who is testing this FW image please NOTE: This is FIXED at 192K BW
FW: https://www.dropbox.com/s/vjfshyo3coxbi ... 8.rbf?dl=0
The ANAN-10 was ~38C as detected on it's exterior for these tests.
video UPDATE:
I have recorded a video of testing this FW using Thetis on my ANAN-10. Conditions are that the ANAN-10 has been on
for at least 4 hours.
In the spectrum I was watching I did not see the MOX noise that was introduced in _pre15, but please report this if it is still occurring.
https://www.dropbox.com/s/b4bpfmuov4428 ... 8.mp4?dl=0
video UPDATE2:
Here is a video I made using PIHPSDR and the same ANAN-10 rig, all tests were through a dummy load.
Also I have not tried this FW on my ANAN-10 with it in a cool state.
https://www.dropbox.com/s/9tnpgxm374j9z ... i.mp4?dl=0
Looking forward to more reports...
-Rick / N1GP
Re: New -10/-100 16-BIT Hermes Protocol 2 Firmware Topic
pre18 still fails audio on my ANAN 100. Went back to 10.7
I see lots of ANAN 10 talk -- is this supposed to work on an ANAN 100 too?
de Mike W9MDB
I see lots of ANAN 10 talk -- is this supposed to work on an ANAN 100 too?
de Mike W9MDB
Mike W9MDB
- DL7GT_Daniel
- Posts: 6
- Joined: Sun Oct 20, 2019 12:23 pm
- Contact:
Re: New -10/-100 16-BIT Hermes Protocol 2 Firmware Topic
Hi Rick,
in pre9 PS works not , only sometimes. 50:50.
with my Screenshot of pre9 i would only say that there are no Harmonics and no Noise .
About PS:
I can't test PS with pre15 for a long time because my power amplifier drops out because of the harmonics, and I use a very narrow band antenna (symm.dipole), but on a dummyload works fine. I noticed that Corecting drops out for about 300 miliseconds and then GetPK goes to 0, but comes back directly after the 300 milliseconds.
in pre9 PS works not , only sometimes. 50:50.
with my Screenshot of pre9 i would only say that there are no Harmonics and no Noise .
About PS:
I can't test PS with pre15 for a long time because my power amplifier drops out because of the harmonics, and I use a very narrow band antenna (symm.dipole), but on a dummyload works fine. I noticed that Corecting drops out for about 300 miliseconds and then GetPK goes to 0, but comes back directly after the 300 milliseconds.
n1gp wrote:@Daniel DL7GT
Tnx for the detail on the FW test versions.
The harmonics and SWR issues are probably very influential on PS.
I do not know from your post if any of the previous version of Protocol 2 have worked for you.
It seems that _pre9 was clean, does that mean it was working with PS?
Tnx,
-Rick / N1GP
73 Daniel DL7GT 
My Rig: Hermes Board
My Rig: Hermes Board
- DL7GT_Daniel
- Posts: 6
- Joined: Sun Oct 20, 2019 12:23 pm
- Contact:
Re: New -10/-100 16-BIT Hermes Protocol 2 Firmware Topic
v10.8_pre18 has no Harmonics and no Noise, checked it with my Spectrumanalyser .
Pure Signal
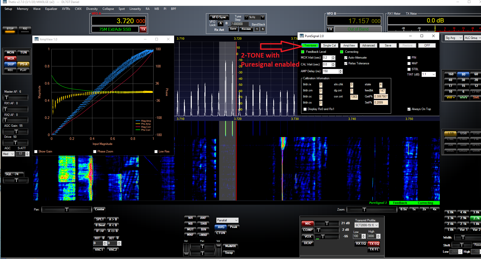
2-Tone: it works , when turn on the PS-A IMD3 will be better ,but in the Ampview looks totally broken.
Phone: if i turn on PS-A Correcting and Feedback comes fine (green Blinking ) but IMD3 will not better than PureSignal is tuned off, and same here when you look in the AmpView, looks totally broken.
My IMD3 is here better without PS.
Pure Signal
2-Tone: it works , when turn on the PS-A IMD3 will be better ,but in the Ampview looks totally broken.
Phone: if i turn on PS-A Correcting and Feedback comes fine (green Blinking ) but IMD3 will not better than PureSignal is tuned off, and same here when you look in the AmpView, looks totally broken.
My IMD3 is here better without PS.
73 Daniel DL7GT 
My Rig: Hermes Board
My Rig: Hermes Board
Re: New -10/-100 16-BIT Hermes Protocol 2 Firmware Topic
Hi everybody, thanks Rick for the next version!
Just tested Pre18 - here is what I noticed:
(Interesting that Daniel reported way different results - we are using both original Hermes boards from India - the only difference is mine is a complete ANAN-10)
- No noise floor any more
- PS-A worked all the time but my ANAN-10 was not ice cold at the beginning…...different from my last test!
- Amplifier view looked good all the time
- Stable operation with PS-A enabled
- Clean-up of PS was only reasonable…...here is probably why:
- PS-A is working and shows blinking "Correcting" and "Corrected" fields - but:
- Get Pk gets frozen after a short time or is not even starting to get new values - looks like its only starting at higher audio levels, rarely in SSB but more often when starting 2-tone tests
- The result is no "live cleaning" - in a direct comparison to "Single Calibration" it is more that…..
Summarizing:
The most useful version for me up to now - PS-A is at least sometimes updating Get Pk and Set Pk and resulting transmitting signals look always good enough, even when it could be 10 dB (or so) better. The main display shows a live cleaning and live updating but this seems to be not really true.
Short movie here:
https://www.dropbox.com/s/a5b5euy6gmyou ... 9.mp4?dl=0
Thanks again Rick for not giving up!
73,
Andy
Just tested Pre18 - here is what I noticed:
(Interesting that Daniel reported way different results - we are using both original Hermes boards from India - the only difference is mine is a complete ANAN-10)
- No noise floor any more
- PS-A worked all the time but my ANAN-10 was not ice cold at the beginning…...different from my last test!
- Amplifier view looked good all the time
- Stable operation with PS-A enabled
- Clean-up of PS was only reasonable…...here is probably why:
- PS-A is working and shows blinking "Correcting" and "Corrected" fields - but:
- Get Pk gets frozen after a short time or is not even starting to get new values - looks like its only starting at higher audio levels, rarely in SSB but more often when starting 2-tone tests
- The result is no "live cleaning" - in a direct comparison to "Single Calibration" it is more that…..
Summarizing:
The most useful version for me up to now - PS-A is at least sometimes updating Get Pk and Set Pk and resulting transmitting signals look always good enough, even when it could be 10 dB (or so) better. The main display shows a live cleaning and live updating but this seems to be not really true.
Short movie here:
https://www.dropbox.com/s/a5b5euy6gmyou ... 9.mp4?dl=0
Thanks again Rick for not giving up!
73,
Andy
No knobs, Pure Signal and Thetis (open source)
ANAN 7000, ANAN 10, Intel NUC 8i7 32 GB + 16 GB Optane
ANAN 7000, ANAN 10, Intel NUC 8i7 32 GB + 16 GB Optane
Re: New -10/-100 16-BIT Hermes Protocol 2 Firmware Topic
Hi Rick,
I just tested pre18 firmware and so far is working like a champ. Here’s my video below congrats!!
https://photos.app.goo.gl/QzctXTsMVzKUBN1G6
Thanks to the rest of the group, I don’t think this could’ve been possible without everyone feedback.
Jorge KD4JM
I just tested pre18 firmware and so far is working like a champ. Here’s my video below congrats!!
https://photos.app.goo.gl/QzctXTsMVzKUBN1G6
Thanks to the rest of the group, I don’t think this could’ve been possible without everyone feedback.
Jorge KD4JM
Re: New -10/-100 16-BIT Hermes Protocol 2 Firmware Topic
What rig do you have?
Please everybody state what rig you have (in every post) so we can keep track of which ones are working.
de Mike W9MDB
Please everybody state what rig you have (in every post) so we can keep track of which ones are working.
de Mike W9MDB
Mike W9MDB
Re: New -10/-100 16-BIT Hermes Protocol 2 Firmware Topic
My rig Anan 100kd4jm wrote:Hi Rick,
I just tested pre18 firmware and so far is working like a champ. Here’s my video below congrats!!
https://photos.app.goo.gl/QzctXTsMVzKUBN1G6
Thanks to the rest of the group, I don’t think this could’ve been possible without everyone feedback.
Jorge KD4JM
Re: New -10/-100 16-BIT Hermes Protocol 2 Firmware Topic
Have you done audio out to WSJT-X or FLDigi?
That's where my ANAN 100 is failing with all the dropouts.
de Mike W9MDB
That's where my ANAN 100 is failing with all the dropouts.
de Mike W9MDB
Mike W9MDB
Re: New -10/-100 16-BIT Hermes Protocol 2 Firmware Topic
Hello everybody,
I come to the same conclusion as Daniel, DL7GT. When I turn on P.S., the signal degrades. Bad IMD and splatter are easily seen in the picture.
In the second picture you can see the situation when P.S. is switched off. IMD is better now (it should be exactly the other way round).
73, DL5AI
Arno
I come to the same conclusion as Daniel, DL7GT. When I turn on P.S., the signal degrades. Bad IMD and splatter are easily seen in the picture.
In the second picture you can see the situation when P.S. is switched off. IMD is better now (it should be exactly the other way round).
73, DL5AI
Arno
- Attachments
-
- P.S. off.PNG (324.24 KiB) Viewed 59593 times
Rig: Hermes Board
Re: New -10/-100 16-BIT Hermes Protocol 2 Firmware Topic
Hi Rick & everyone,
So far my Anan 100 pre18 is runnig ok on SSB and 2 tone test, I will continue testing some more tonight.
Jorge...
So far my Anan 100 pre18 is runnig ok on SSB and 2 tone test, I will continue testing some more tonight.
Jorge...
Re: New -10/-100 16-BIT Hermes Protocol 2 Firmware Topic
Hello
I confirm on my Anan 100 working Pure Signal with Sample Rate 192000 very well .
but the receiver works here only with 192000 now.
all other samplerate the audio just only clipped.
thats my first impression about pre 18 and my Anan 100 ( first edition direct from india with gray front )
73s de Tom
I confirm on my Anan 100 working Pure Signal with Sample Rate 192000 very well .
but the receiver works here only with 192000 now.
all other samplerate the audio just only clipped.
thats my first impression about pre 18 and my Anan 100 ( first edition direct from india with gray front )
73s de Tom
Re: New -10/-100 16-BIT Hermes Protocol 2 Firmware Topic
Yea !! PS works very well when rig is warmed up... but woooa... big IMD and distortion when cold.
ANAN100 Gray face
2.7.0 3/1/2020 (a3)
Pre18
Thanks
Jeff
N8RWS
ANAN100 Gray face
2.7.0 3/1/2020 (a3)
Pre18
Thanks
Jeff
N8RWS
Last edited by N8RWS on Wed Mar 25, 2020 5:22 pm, edited 1 time in total.
Re: New -10/-100 16-BIT Hermes Protocol 2 Firmware Topic
Hi Rick,
After doing more testing on Pre18 I found out that from 160 thru 40 meter PS it's working great on two tone and ssb,
On 20 thru 10 meter I'm still getting in/out on PS.
Thank you so much!
Anan 100 gray face: Thetis 2.7.0 A2
Jorge KD4JM
After doing more testing on Pre18 I found out that from 160 thru 40 meter PS it's working great on two tone and ssb,
On 20 thru 10 meter I'm still getting in/out on PS.
Thank you so much!
Anan 100 gray face: Thetis 2.7.0 A2
Jorge KD4JM
Re: New -10/-100 16-BIT Hermes Protocol 2 Firmware Topic
Hey Folks,
pre18 was fixed at 192K BW.
Yes, I notice the PS instability and big IMD before the unit warms up.
My ANAN-10 will correct and reduce IMD up to 6M when it is running ~36C
I'll have to pull the unit apart and try to isolate with some freeze spray.
If you are seeing this behaviour and have an open unit please try cooling
key areas like the ethernet phy, voltage regulators, FPGA, ...
This update re-adds the ability to change SampleRate from 48-1536K.
I'm still not able to get PS to correct at all if I allow separate SampleRates between RX1 & RX2
So they are currently both queued off of RX1, changing RX2 SR has no effect. At least not firmware wise.
https://www.dropbox.com/s/wnejyfdk5yn63 ... 9.rbf?dl=0
Tnx,
-Rick / N1GP
pre18 was fixed at 192K BW.
Yes, I notice the PS instability and big IMD before the unit warms up.
My ANAN-10 will correct and reduce IMD up to 6M when it is running ~36C
I'll have to pull the unit apart and try to isolate with some freeze spray.
If you are seeing this behaviour and have an open unit please try cooling
key areas like the ethernet phy, voltage regulators, FPGA, ...
This update re-adds the ability to change SampleRate from 48-1536K.
I'm still not able to get PS to correct at all if I allow separate SampleRates between RX1 & RX2
So they are currently both queued off of RX1, changing RX2 SR has no effect. At least not firmware wise.
https://www.dropbox.com/s/wnejyfdk5yn63 ... 9.rbf?dl=0
Tnx,
-Rick / N1GP
Re: New -10/-100 16-BIT Hermes Protocol 2 Firmware Topic
pre19 fixes my 48kHz dropout problem on my ANAN 100. I don't use PS so can't comment on that.
Good job!!
Good job!!
Mike W9MDB
- DL7GT_Daniel
- Posts: 6
- Joined: Sun Oct 20, 2019 12:23 pm
- Contact:
Re: New -10/-100 16-BIT Hermes Protocol 2 Firmware Topic
Here my Screenshots about Tests on a Dummyload with my Hermes Board with the last pre19
73 Daniel DL7GT 
My Rig: Hermes Board
My Rig: Hermes Board