ANAN-10 Modifications

Forum rules
This is a read-only sub-forum containing files from the old Yahoo group. New files should be attached to new posts in new discussions, there is no reason to place any more here.
Post Reply
User avatar
w-u-2-o
Posts: 6109
Joined: Fri Mar 10, 2017 1:47 pm

ANAN-10 Modifications

Post by w-u-2-o »

Remove_paint_2.JPG
Remove_paint_2.JPG (80.98 KiB) Viewed 13974 times
Remove_paint_1.JPG
Remove_paint_1.JPG (113.35 KiB) Viewed 13974 times
Old_and_new_cable.JPG
Old_and_new_cable.JPG (112.89 KiB) Viewed 13974 times
Modified_rear_panel.JPG
Modified_rear_panel.JPG (108.03 KiB) Viewed 13974 times
Modified_rear_panal_with_SMA.JPG
Modified_rear_panal_with_SMA.JPG (95.52 KiB) Viewed 13974 times
J29.JPG
J29.JPG (119.28 KiB) Viewed 13974 times
J3_with_new_cable.JPG
J3_with_new_cable.JPG (95.88 KiB) Viewed 13974 times
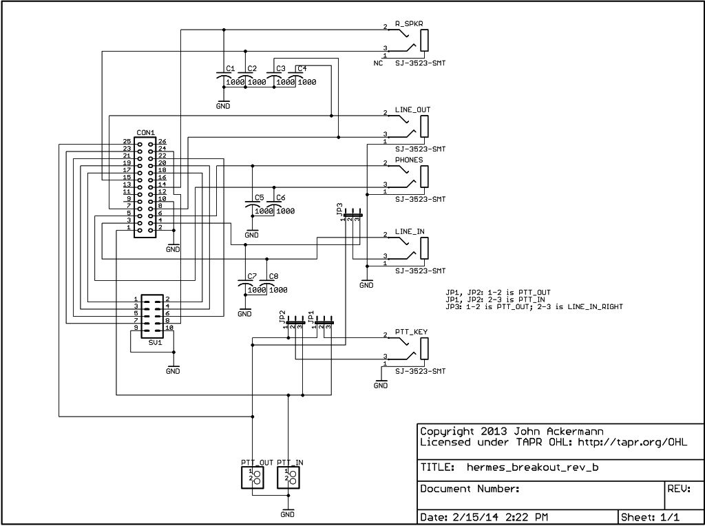
hermes_breakout_rev_b_schem.jpg
hermes_breakout_rev_b_schem.jpg (74.51 KiB) Viewed 13974 times
Hermes_Break_Out_Board_Top_b.JPG
Hermes_Break_Out_Board_Top_b.JPG (139.68 KiB) Viewed 13974 times
Hermes_Break_Out_Board_Top_a.JPG
Hermes_Break_Out_Board_Top_a.JPG (119.22 KiB) Viewed 13974 times
Hermes_Break_Out_Board_Kit.JPG
Hermes_Break_Out_Board_Kit.JPG (133.14 KiB) Viewed 13974 times
Hermes_Break_Out_Board_in_place.JPG
Hermes_Break_Out_Board_in_place.JPG (117.75 KiB) Viewed 13974 times
Hermes_Break_Out_Board_Front.JPG
Hermes_Break_Out_Board_Front.JPG (65.23 KiB) Viewed 13974 times
Hermes_Break_Out_Board_Bottom.JPG
Hermes_Break_Out_Board_Bottom.JPG (114.03 KiB) Viewed 13974 times
Daughter_card_installed.JPG
Daughter_card_installed.JPG (147.49 KiB) Viewed 13974 times
Daughter_card_and_R142_installed.JPG
Daughter_card_and_R142_installed.JPG (113.21 KiB) Viewed 13974 times
Asambled_rear_panal_with_PS-SMA_and_break_out_board.JPG
Asambled_rear_panal_with_PS-SMA_and_break_out_board.JPG (119.12 KiB) Viewed 13974 times
Post Reply

Return to “Legacy Yahoo Group Files”